Overview
The Coyote 03-1843 Reducer Adapter provides an easy way to connect mismatched duct sizes in compact HVAC setups.
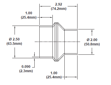
Because many systems use both 2″ and 2½″ hoses, this adapter ensures compatibility without compromising airflow.
Its compact, lightweight shape fits neatly into dashboards, bulkheads, or under-seat ducting.
Function and Performance
This 2½″ to 2″ reducer transitions airflow smoothly from a larger line to a smaller hose.
The tapered interior guides air through the change in size without creating turbulence or pressure spikes.
As a result, the HVAC system stays balanced and efficient while reducing noise and energy loss.
In addition, the tight friction fit helps prevent leaks and vibration loosening over time.
Durability and Design
Coyote molds the 03-1843 adapter from durable, heat-stable ABS plastic that withstands vibration, impact, and UV exposure.
Because the material holds its shape under temperature changes, it performs reliably in both mobile and stationary HVAC systems.
The smooth interior walls promote steady airflow and reduce debris buildup.
Installation
Installation is quick and simple.
Attach the 2½″ end to the larger duct outlet and the 2″ end to the smaller hose.
The stepped taper forms a snug, leak-resistant connection that can also be clamped or sealed for extra security.
Therefore, technicians can achieve professional results in minutes with minimal tools.
Applications
The Coyote 03-1843 2½″ to 2″ Reducer Adapter is used in buses, RVs, off-road equipment, ag machinery, and industrial HVAC assemblies.
It’s ideal for connecting mixed hose sizes between evaporator outlets, plenums, and branch ducts.
Specifications
-
Series: Reducer Adapters
-
Part Number: 03-1843
-
Size: 2½″ (63.5 mm) to 2″ (50.8 mm)
-
Material: Black ABS plastic
-
Function: Step-down airflow transition between ducts
-
Applications: Bus, RV, truck, off-road, and industrial HVAC
-
Features: Smooth internal taper, vibration-resistant fit, easy installation, durable ABS construction



Reviews
There are no reviews yet.